贴片电阻常见封装有9种,用两种尺寸代码来表示。一种尺寸代码是由4位数字表示的EIA(美国电子工业协会)代码,前两位与后两位分别表示电阻的长与宽,以英寸为单位。我们常说的0603封装就是指英制代码。另一种是米制代码,也由4位数字表示,其单位为毫米。
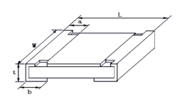
下表列出贴片电阻封装英制和公制的关系及详细的尺寸:
英制
(inch) |
公制
(mm) |
长(L)
(mm) |
宽(W)
(mm) |
高(t)
(mm) |
a
(mm) |
b
(mm) |
|
0201 |
0603 |
0.60±0.05 |
0.30±0.05 |
0.23±0.05 |
0.10±0.05 |
0.15±0.05 |
|
0402 |
1005 |
1.00±0.10 |
0.50±0.10 |
0.30±0.10 |
0.20±0.10 |
0.25±0.10 |
|
0603 |
1608 |
1.60±0.15 |
0.80±0.15 |
0.40±0.10 |
0.30±0.20 |
0.30±0.20 |
|
0805 |
2012 |
2.00±0.20 |
1.25±0.15 |
0.50±0.10 |
0.40±0.20 |
0.40±0.20 |
|
1206 |
3216 |
3.20±0.20 |
1.60±0.15 |
0.55±0.10 |
0.50±0.20 |
0.50±0.20 |
|
1210 |
3225 |
3.20±0.20 |
2.50±0.20 |
0.55±0.10 |
0.50±0.20 |
0.50±0.20 |
|
1812 |
4832 |
4.50±0.20 |
3.20±0.20 |
0.55±0.10 |
0.50±0.20 |
0.50±0.20 |
|
2010 |
5025 |
5.00±0.20 |
2.50±0.20 |
0.55±0.10 |
0.60±0.20 |
0.60±0.20 |
|
2512 |
6432 |
6.40±0.20 |
3.20±0.20 |
0.55±0.10 |
0.60±0.20 |
0.60±0.20 |
贴片电容和贴片电阻都是一样可以用的,0805,1206等
贴片电阻电容功率与尺寸对应表
|
英制 |
公制 |
额定功率 |
|
0201 |
0603 |
1/20W |
|
0402 |
1005 |
1/16W |
|
0603 |
1608 |
1/10W |
|
0805 |
2012 |
1/8W |
|
1206 |
3216 |
1/4W |
|
1210 |
3225 |
1/3W |
|
1812 |
4832 |
1/2W |
|
2010 |
5025 |
3/4W |
|
2512 |
6432 |
1W |
电容电阻外形尺寸与封装的对应关系是:
0402=1.0x0.5
0603=1.6x0.8
0805=2.0x1.2
1206=3.2x1.6
1210=3.2x2.5
1812=4.5x3.2
2225=5.6x6.5
国内贴片电阻的命名方法:
1、5%精度的命名: RS-05K102JT
2、1%精度的命名:RS-05K1002FT
R -表示电阻
S -表示功率:0402是1/16W、0603是1/10W、0805是1/8W、1206是1/4W、 1210是1/3W、1812是1/2W、2010是3/4W、2512是1W。
05 -表示尺寸(英寸):02表示0402、03表示0603、05表示0805、06表示1206、1210表示1210、1812表示1812、10表示1210、12表示2512。
K -表示温度系数为100PPM。
102-5%精度阻值表示法:前两位表示有效数字,第三位表示有多少个零,基本单位是Ω,102=10×10²Ω=1000Ω=1KΩ。1002是1%阻值表示法:前三位表示有效数字,第四位表示有多少个零,基本单位是Ω,1002=100000Ω=10KΩ。
J -表示精度为5%、F-表示精度为1%。
T -表示编带包装。
贴片阻容件常见疑问
1、贴片电阻的阻值表示与贴片电容容值表示都是数字与“R”组合表示的。譬如:3ohm用3R0表示,10ohm用100表示,100ohm用101表示,也就是说“R”表示点“.”的意思,而101后面个位数的“1”表示的是带有1个0,例如102表示10000。
2、电阻上的数字和字母表示的就是阻值,R002就表示0.002ohm,180表示的就是18ohm.
3、怎样区分贴片的电阻与电容,由于电阻上面有白色的字体表示,所以除端角外背景颜色应该是黑色的,而电容上就没有字体表示,也不会有黑色的颜色,因为有黑色的话容易让人产生误会电容被氧化。
贴片电阻精度命名方法
贴片电阻阻值误差精度有±1%、±2%、±5%、±10%精度,常规用的最多的是±1%和±5%,
±5%精度的常规是用三位数来表示例 例512,前面两位是有效数字,第三位数2表示有多少个零,基本单位是Ω,这样就是5100欧,1000Ω=1KΩ,1000000Ω=1MΩ
为了区分±5%,±1%的电阻,于是±1%的电阻常规多数用4位数来表示 ,
这样前三位是表示有效数字,第四位表示有多少个零4531也就是4530Ω,也就等于4.53KΩ。
深圳宏力捷推荐服务:PCB设计打样 | PCB抄板打样 | PCB打样&批量生产 | PCBA代工代料
