全国空降约跑一品楼凤万花楼,甘肃唐人阁兰州论坛,西安一品楼ypllt,qm论坛品茶,51品茶全国一品楼

您好~欢迎光临深圳市宏力捷电子有限公司网站!
一站式PCBA服务提供商
邮件询价:
sales88@greattong.com
电话咨询:
0755-83328032
QQ在线

张经理:深圳宏力捷PCB设计服务QQ

陈经理:深圳宏力捷PCB抄板服务QQ

叶经理:深圳宏力捷PCB制板服务QQ

王经理:深圳宏力捷PCBA/OEM服务QQ

PCB Layout设计要点

发布时间 :2021-09-29 17:40 阅读 : 来源 :技术文章责任编辑 :深圳宏力捷PCB设计部
在集成电路应用设计中,项目原理图设计完成后,需要进行PCB Layout设计。PCB设计是一个至关重要的环节。设计结果的质量直接影响到整个设计功能。因此,合理高效的PCB Layout是芯片电路设计调试成功的关键步骤。下面深圳PCB设计公司-宏力捷电子为大家简要下介绍PCB Layout设计的要点。
 
PCB Layout设计要点
元器件封装选择
电阻选择:所选电阻的耐压、最大功耗和温度不能超过使用范围。
 电阻选择
电容器选择:在选择时,还需要考虑所选电容器的耐受电压和最大有效电流。
电容器选择

 
电感选择:所选电感的有效值电流和峰值电流必须大于实际电路中的电流。
 
电路设计中的常见干扰
串扰:当设计线的平行布线距离太长时,导线之间的电容和互感会将能量耦合到相邻的传输线??赏ü韵路椒跎俅诺挠跋欤?/span>
1. 加入安全走线
加入安全走线

 
2. 在实践中,尽量使相邻的走线相互垂直
在实践中,尽量使相邻的走线相互垂直

 
3. 每走一段距离的平行线,增加两条线之间的距离
每走一段距离的平行线,增加两条线之间的距离

 
 
反射:由于布线的弯角、分支太多造成传输线上阻抗不匹配,可以通过减少线路上的弯角及分支线或者避免直角走线及分支线补强来进行改善。
由于布线的弯角、分支太多造成传输线上阻抗不匹配,可以通过减少线路上的弯角及分支线或者避免直角走线及分支线补强来进行改善。
 
确定接地方式
单点接地(适用于低频电路):所有电路接地线均连接到公共接地线的同一点,接线简单,减少了接地回路的相互干扰。
单点接地(适用于低频电路)

 
 
多点接地(适用于多层板电路/高频电路):系统各部分就近接地,提供较低的接地阻抗。
多点接地(适用于多层板电路/高频电路)
 
添加滤波和旁路电容器
为确保稳定的输入/输出电压,增加输入/输出电容器。
为确保稳定的输入/输出电压,增加输入/输出电容器

 
 
在电源和IC之间添加旁路电容器,以确保稳定的输入电压并滤除高频噪声。
 在电源和IC之间添加旁路电容器,以确保稳定的输入电压并滤除高频噪声。

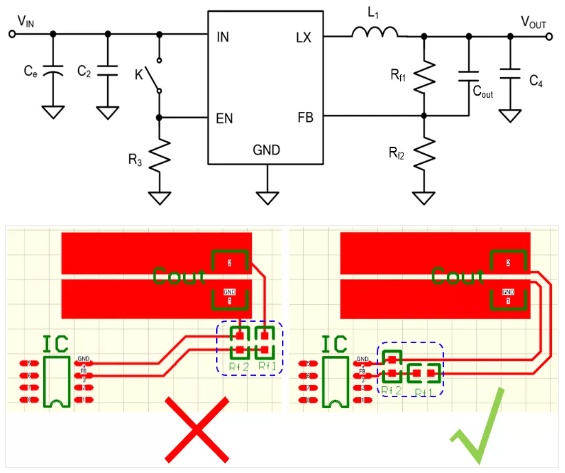
阻抗位置设计
相对而言,阻抗越高,越容易受到干扰。以下是同步降压芯片的PCB阻抗位置设计。
相对而言,阻抗越高,越容易受到干扰。以下是同步降压芯片的PCB阻抗位置设计。

 
 
宏力捷电子PCB设计能力:
最高信号设计速率:10Gbps CML差分信号;
最高PCB设计层数:40层;
最小线宽:2.4mil;
最小线间距:2.4mil;
最小BGA PIN 间距:0.4mm;
最小机械孔直径:6mil;
最小激光钻孔直径:4mil;
最大PIN数目:;63000+
最大元件数目:3600;
最多BGA数目:48+。

PCB设计打样
 
PCB设计服务流程
1. 客户提供原理图咨询PCB设计;
2. 根据原理图以及客户设计要求评估报价;
3. 客户确认报价,签订合同,预付项目定金;
4. 收到预付款,安排工程师设计;
5. 设计完成后,提供文件截图给客户确认;
6. 客户确认OK,结清余款,提供PCB设计资料。


深圳宏力捷推荐服务:PCB设计打样 | PCB抄板打样 | PCB打样&批量生产 | PCBA代工代料

微信咨询PCBA加工业务


马上留言咨询,工作人员将第一时间与您取得联系,请耐心等待!

公司名称: ?*
姓名: ?*
电话: ?*
邮箱: ?*
留言内容:
?
网站首页 PCB二次开发 PCB设计 电路板制作 PCBA代工代料 产品中心 关于我们 联系我们 网站地图 English